相关文章  
  • 便携式可充电电吹风
  • 一种卫生袋装放架
  • 一种卫生袋装放架
  • 一种卫生袋装放架
  • 垂钓自选购物机
  • 垂钓自选购物机
  • 一种治疗带状疱疹的特效疗法——穴位封闭
  • 一种治疗带状疱疹的特效疗法——穴位封闭
  • 一种治疗带状疱疹的特效疗法——穴位封闭
  • 便携式可充电电吹风
  •   推荐  
      科普之友首页   专利     科普      动物      植物        天文   考古   前沿科技
     您现在的位置在:  首页>>专利 >>专利推广

    垂钓自选购物机<%=id%>

    项目名称:

    垂钓自选购物机

    项目文件: 发明文摘及技术可行性分析
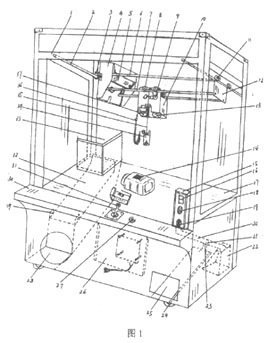
    本实用新型一种自选购物机,包括箱体 [1]、投币装置、行车,车头[10]的升降 取物装置的下端设置电磁铁吸头[34]以取代抓娃娃机的机械夹爪,承物台[17] 上的物品上固定有以供电磁铁吸头吸取的铁片[14],吸头与所选物品上的铁片 吸合而吸住所选物品,再随行车移至落物口,再将电磁铁断电使吸头释放物 品。由于物品上固定有铁片,行车操作的获取率高,即使操作不成功也可实现 自动退币,操作者并无损失,可以实现自动售货,购物者也可体会到操作的乐 趣。
    投产条件

    成本及利润评估

    转让方式及条件
    面谈。
    备注

    展示时间: 2005-11-24-至-2008-11-23 14:46:37
    图片介绍:

    专利状态:
    申请号: 200420089630.2 申请日:
    公告日: 授权日:
    联系人及单位信息:
    地区: 安徽省
    联系人: 钱新
    地址: 安徽省铜陵市天桥新村78×203
    联系电话: 0562-5173071
    传真:
    邮政编码: 244000
    Email:
    网址:
         

          设为首页       |       加入收藏       |       广告服务       |       友情链接       |       版权申明      

    Copyriht 2007 - 2008 ©  科普之友 All right reserved