相关文章  
首颗泛非通信卫星升空
我首颗中继卫星“天链一号01星”
中国首颗新一代极轨气象卫星“风
我首颗环境卫星传回遥感影像
印度首颗探月卫星月球初航1号起航
我国成功发射首颗“风云三号”气
美军己对UFO构造相当清楚
美军己对UFO构造相当清楚
美军清楚掌握UFO的构造 并试图开
X档案 美军士兵摸过UFO外壳
  推荐  
                              
您现在的位置: 科普之友 >> 天文 >> 航空航天 >> 正文
  美军首颗宽带全球卫星通信正式服役  
射之前,WGS可至少在地面存储5年而不会影响在轨平均任务持续时间。入轨后,即使没有有效的指令链路,卫星也能在没有地面干涉的情况下至少运行30天,包括执行南-北和东-西位置保持的存储指令。

  有效载荷内幕

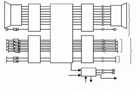
WGS有效载荷框图 WGS有效载荷框图
  WGS提供双向X频段、单向Ka频段广播业务和新的双向军用Ka频段业务,可以补充、替代目前由DSCS提供的军用X频段通信容量和由GBS提供的军用Ka频段的通信容量,还具有大容量双向Ka频段通信能力,以支持作战人员的移动和战术通信应用。WGS还能用于频段交互连通性业务:X频段上行链路到Ka频段

上一页  [1] [2] [3] [4] [5] [6] [7] [8] [9] 下一页

时间:2009-4-21 17:23:03

     

| 设为首页 | 加入收藏 | 联系站长 | 友情链接 | 广告服务 | 版权申明 | 管理登陆 |

Copyriht 2006 - 2007 ©  科普之友 All right reserved